Version interactive avec LaTeX compilé
CONCOURS ENSAM - ESTP - ARCHIMEDE
Épreuve de Physique PC
Durée 4 h
Si, au cours de l'épreuve, un candidat repère ce qui lui semble être une erreur d'énoncé, d'une part il le signale au chef de salle, d'autre part il le signale sur sa copie et poursuit sa composition en indiquant les raisons des initiatives qu'il est amené à prendre.
L'usage de calculatrices est autorisé.
Ce problème étudie l'humidité de l'atmosphère. L'épreuve est divisée en deux parties totalement indépendantes. Divers aspects thermodynamiques d'un air humide sont abordés en première partie. Deux hygromètres, appareils destinés à mesurer l'humidité de l'air, sont étudiés en seconde partie : le psychromètre (appareil développé par Regnault au
siècle) qui utilise deux thermomètres dont la différence de température peut être reliée à l'humidité, puis un hygromètre capacitif, réalisé autour d'un condensateur dont l'isolant électrique est hydrophile.
Remarques préliminaires importantes: il est rappelé aux candidat(e)s que :
- les explications des phénomènes étudiés interviennent dans la notation au même titre que les développements analytiques et les applications numériques;
- tout au long de l'énoncé, les paragraphes en italiques ont pour objet d'aider à la compréhension du problème mais ne donnent pas lieu à des questions;
- tout résultat fourni dans l'énoncé peut être admis et utilisé par la suite, même s'il n'a pas été démontré par les candidat(e)s ;
- les applications numériques seront données avec le nombre de chiffres significatifs adapté en fonction des données de l'énoncé. A défaut, elles seront comptées fausses.
Dans tout le problème, et sauf mention explicite du contraire :
- la pression sous laquelle sont étudiés les phénomènes est la pression atmosphérique, dont la valeur numérique est
bar; - le symbole
désigne la température en degré Celsius , tandis que représente la température en Kelvin (K) ; - la constante des gaz parfaits est
.
Il est nécessaire de savoir mesurer et contrôler l'humidité de l'air dans un certain nombre de processus industriels où la teneur en eau d'une phase gazeuse doit être strictement encadrée, mais aussi dans des appareils à usage domestique comme les climatiseurs, les humidificateurs ou encore les contrôleurs d'humidité utilisés dans l'industrie du bâtiment.
PREMIỂRE PARTIE ETUDE THERMODYNAMIQUE DE L'AIR HUMIDE
A / RELATIONS GÉNÉRALES
Considérons un volume
d'air humide à la température
, sous la pression atmosphérique
. Cette phase gazeuse homogène est modélisée comme un mélange idéal de gaz parfaits, constitué d'une masse
d'air sec (de masse molaire
) et d'une masse
de vapeur d'eau (de masse molaire
).
Etudions les caractéristiques thermodynamiques de ce mélange gazeux.
A1. Justifier que où
et
représentent respectivement les pressions partielles de l'air sec et de la vapeur d'eau.
Montrer que et que
, en explicitant les constantes
et
en fonction de
et des masses molaires
et
.
L'humidité absolue est définie par le rapport .
A2. Montrer que le rapport peut s'écrire :
.
Donner l'expression de la constante en fonction des masses molaires
et
.
En déduire en fonction de
, w et
.
Application numérique : calculer .
Un air humide à la température ne peut rester une phase gazeuse homogène que si la pression partielle de la vapeur d'eau qu'll contient est inférieure à la pression de vapeur saturante de l'eau
à cette température :
.
représente la valeur maximale de
lorsque l'air est en équilibre thermodynamique à la température
. Lorsque
il apparait du liquide sous forme de petites gouttes formant un brouillard ou une buée sur une surface solide. Dans ce cas l'air humide est dit saturé. La courbe donnant
(en Pa) en fonction de la température
est fournie ci-dessous : (figure 1).
A1. Justifier que
Montrer que
L'humidité absolue est définie par le rapport
A2. Montrer que le rapport
Donner l'expression de la constante
En déduire
Application numérique : calculer
Un air humide à la température

Figure 1 : Pression de vapeur saturante en fonction de la température
L'humidité relative est définie par
.
A3*a. Quelle est la caractéristique d'un air tel que ? De même, quelle est la particularité d'un air pour lequel
(humidité de
) ?
A3*a. Quelle est la caractéristique d'un air tel que
A3b. La température et la pression étant fixées, déterminer la valeur maximale
de I'humidité absolue en fonction de
et
.
Application numérique : calculer à
pour
.
A3c. Comment évolue lors d'une augmentation isobare de température, puis lors d'une augmentation isotherme de pression?
Application numérique : calculer
A3c. Comment évolue
A4*a. L'intérieur d'un local de volume
est à la température
, sous la pression atmosphérique
. Son humidité relative est
. Calculer les masses
de vapeur d'eau,
d'air sec ainsi que la masse totale
d'air humide.
A4*b. Durant la nuit, le local n'est pas chauffé et sa température descend à
. Quelle est alors l'humidité relative de l'atmosphère du local, si ce dernier est hermétiquement clos, sous pression constante ? Quelle est la masse meau d'eau condensée?
Considérons à la température
et sous la pression
un air humide non saturé, caractérisé par une humidité absolue w. La température de rosée
est la température à laquelle il faut refroidir cet air à pression constante pour faire apparaître la première goutte d'eau liquide.
A5a. Quelle est la température de rosée
(ou
) de l'air du local étudié en A4a?
A5*b. Une lame métallique en contact avec de l'air humide est refroidie progressivement sous la pression constante . Il apparaît de la buée à la surface de la lame lorsque la température de celle-ci est descendue à
. En déduire les humidités relative
et absolue w de cet air lorsqu'il est à la température de
.
A5*b. Une lame métallique en contact avec de l'air humide est refroidie progressivement sous la pression constante
B / ÉTUDE DE L'ÉQUILIBRE THERMODYNAMIQUE EN VASE CLOS (UTILISATION DES POTENTIELS THERMODYNAMIQUES)
Considérons un système fermé (&) formé de
moles de l'eau liquide à la température
et sous la pression
, surmontées d'une phase gazeuse à la même température et sous la même pression, renfermant
moles d'air sec et
moles de vapeur d'eau (figure 2). II est admis que cette phase gazeuse se comporte comme un mélange idéal de gaz parfaits.

Figure 2
B1. Rappeler la définition d'un potentiel thermodynamique.
Le système (
) est placé dans un cylindre fermé par un fond et dont les parois sont diathermanes. Ce cylindre est en contact avec un thermostat de température
et il est limité par un piston sans masse, mobile sans frottement, dont la face externe est en contact avec l'atmosphère de pression constante
bar.
Soient
et
respectivement l'énergie interne, l'entropie et le volume de (
). Introduisons le potentiel thermodynamique
.
B2. Montrer que
est un potentiel adapté aux transformations monothermes et monobares.
Supposons que ( ) soit le siège d'une transformation infinitésimale à température et pression constantes. A chaque instant, la température
de (Я) et sa pression
restent égales à
et
. Seules les quantités de matière varient au cours de cette transformation :
devient
et le nombre de moles de vapeur d'eau passe de
à
. Le nombre
de moles d'air demeure constant.
Supposons que (
B3*a. Montrer que dans cette transformation particulière
( G étant l'enthalpie libre du système) et en déduire que :
où
et
sont les potentiels chimiques de l'eau liquide et de la vapeur d'eau.
Rappelons que, d'après le cours de chimie, l'expression générale du potentiel chimique d'un constituant est de la forme :
Rappelons que, d'après le cours de chimie, l'expression générale du potentiel chimique d'un constituant
où
désigne le potentiel chimique standard (grandeur qui ne dépend que de la nature du constituant
et de la température
) et où
est l'activité chimique du constituant. Lorsque le constituant est seul dans une phase liquide,
vaut 1,00. D'autre part, lorsque le constituant est un gaz parfait,
s'écrit :
où
est la pression partielle du constituant et
la pression de référence (
bar).
D'autre part, la pression de vapeur saturante de l'eau
à la température
peut être définie par la relation thermodynamique suivante:
B3*b. En déduire l'expression de
en fonction des seules grandeurs
vap (pression partielle de vapeur d'eau),
et
.
Considérons un état initial dans lequel les nombres de moles de liquide et de vapeur d'eau sont respectivement
et
. Désignons par
la pression partielle en vapeur d'eau dans cet état et supposons
.
B3*c. Comment le système évolue-t-il si
. Exprimer la condition sur
et
pour qu'un équilibre diphasé puisse être atteint dans l'état final.
B3*d. La température du thermostat est
, température pour laquelle la pression de vapeur saturante vaut:
. Calculer la composition finale de
lorsque les quantités de matière initiales sont:
i) ,
ii) .
i)
ii)
C / ÉVAPORATION DE L'EAU LIQUIDE
Etudions maintenant quelques caractéristiques physiques de l'évaporation de l'eau liquide dans l'atmosphère. Contrairement à l'ébullition qui est un phénomène nécessitant un apport d'énergie sous forme de chaleur et qui se produit à une température bien définie (température de vaporisation) pour une pression donnée, l'évaporation de l'eau liquide dans l'atmosphère est un phénomène très lent qui se produit à toute température. Ce phénomène résulte d'un couplage entre la diffusion particulaire des molécules d'eau dans l'air et des transferts thermiques entre le liquide et l'atmosphère.
Considérons un modèle unidimensionnel dans lequel une couche d'eau liquide possède une surface libre plane en contact avec l'atmosphère. Du fait de l'évaporation, la hauteur h(t) de cette surface libre décroît au cours du temps. Le liquide repose sur un fond (situé en
), pour lequel la température
est supposée constante et identique à celle de l'atmosphère.

Figure 3
Les hypothèses du modèle sont les suivantes:
- la pression est uniforme et constante ;
- l'air constitue un milieu immobile à la température constante
, au sein duquel diffusent les molécules d'eau avec une densité particulaire ; le vecteur densité de courant particulaire est noté et le coefficient de diffusion ; - la phase liquide est immobile et la densité particulaire de molécules d'eau nliq est supposée stationnaire et uniforme.
C1* Rappeler la loi de Fick et en donner le sens physique.
En raisonnant sur un cylindre de hauteur élémentaire dz et de surface de base , établir l'équation dite de diffusion vérifiée par la densité particulaire
de la vapeur d'eau.
En raisonnant sur un cylindre de hauteur élémentaire dz et de surface de base
Considérons un instant to donné et définissons le cylindre (%) dont la première base repose sur le fond et dont l'autre base est située au niveau de la surface libre du liquide à cet instant. Ce cylindre possède une hauteur H constante qui est égale à la hauteur h(to) de liquide à l'instant considéré, ainsi que deux bases de même surface S. (figure 3)
C2*a. Déterminer la variation dN du nombre de molécules d'eau contenues dans (%) entre les instants
et
et montrer que, lorsque dt devient très petit, cette variation peut s'écrire de façon approchée :
C2*b. Compléter ce bilan en reliant dN à la densité de courant j des molécules de vapeur d'eau sur la base supérieure du cylindre (
) et établir ainsi que :
(l'instant
étant quelconque, cette relation est bien entendu valable à tout instant
)
L'évaporation de l'eau liquide entraîne des transferts thermiques à la fois au sein du liquide et à l'interface liquide-atmosphère. Pour modéliser ces échanges, supposons que l'eau liquide est caractérisée par une conductivité thermique , une masse volumique
et que sa température varie de façon unidimensionnelle selon
.
L'évaporation de l'eau liquide entraîne des transferts thermiques à la fois au sein du liquide et à l'interface liquide-atmosphère. Pour modéliser ces échanges, supposons que l'eau liquide est caractérisée par une conductivité thermique
C3. Rappeler l'expression de la loi de Fourier et établir l'équation de diffusion thermique à laquelle obéit la température au sein du liquide.
Précisons en outre que les échanges thermiques entre le liquide et l'air sont régis par la loi de Newton : la puissance thermique qui traverse une surface élémentaire dS située à la surface libre du liquide est donnée par:
, où
est la température du liquide sur la surface libre et
le coefficient de conducto-convection, supposé constant.
C4. Considérons une tranche élémentaire de liquide d'épaisseur dz et de surface
qui se vaporise entre les instants
et
. Expliciter l'épaisseur
en fonction de la dérivée de
. Grâce à un bilan énergétique effectué sur cette tranche, montrer que :
où
est l'enthalpie massique de vaporisation de l'eau (supposée constante).
Par la suite, notons la vitesse d'évaporation et intéressons-nous au régime quasi-stationnaire :
.
Par la suite, notons
C5*a. Montrer que
peut alors s'écrire sous la forme :
où
est un coefficient qui varie très lentement avec le temps.
C5*b. Déduire de l'étude précédente que le coefficient
vérifie la relation suivante:
C5*c. Quel est le signe de a ? La température moyenne du liquide est-elle diminuée ou augmentée par le phénomène d'évaporation? Cette modification a-t-elle tendance à renforcer ou à limiter le phénomène ?
La variation de température induite par évaporation peut être utilisée pour mesurer l'humidité de l'air, comme nous le verrons dans la partie suivante.
DEUXIEME PARTIE MESURE DE L'HUMIDITE DE L'AIR HUMIDE
A / PSYCHROMÈTRE
Un psychromètre est un appareil destiné à mesurer l'humidité de l'air par la mesure d'une différence de température.
La pointe d'un thermomètre, entourée d'un coton imbibé d'eau liquide, est placée dans un courant d'air humide, ce qui a pour effet de provoquer l'évaporation du liquide et l'enrichissement de la phase gazeuse en vapeur d'eau (figure 4).
La température de l'eau liquide (indiquée par le thermomètre) est constante et vaut (température humide). Initialement, l'air humide est à la température
et possède une humidité absolue w. Après son passage sur le coton, cet air est saturé en vapeur d'eau et son humidité absolue devient
(correspondant à une humidité relative de 100 %). Sa
La température de l'eau liquide (indiquée par le thermomètre) est constante et vaut

Figure 4
température est alors
.
La transformation s'effectue sous la pression atmosphérique constante
bar.
Définissons le système (%) constitué d'une masse mair d'air sec mélangé à une masse de vapeur d'eau en proportion telle que
, où w est l'humidité absolue initiale. Au cours de son passage sur le coton, (
) s'enrichit d'une masse
de vapeur d'eau provenant de l'évaporation du liquide.
( ) n'étant pas un système fermé, il est possible de le compléter en lui adjoignant la masse
d'eau initialement à l'état liquide. Le système fermé ainsi défini sera appelé (of).
Définissons le système (%) constitué d'une masse mair d'air sec mélangé à une masse
(
A1. Expliciter la relation existant entre
et les humidités absolues
et
.
La transformation est suffisamment rapide pour que les échanges de chaleur entre ( ) et le milieu extérieur soient négligeables.
La transformation est suffisamment rapide pour que les échanges de chaleur entre (
A2. Montrer que l'enthalpie H de (
) se conserve au cours de cette transformation.
L'air humide étant un mélange idéal de gaz parfaits, son enthalpie est la somme des enthalpies de chaque constituant du mélange ; et
sont respectivement les capacités thermiques massiques à pression constantes de l'air sec et de la vapeur d'eau (supposées indépendantes de la température). L'enthalpie massique de vaporisation de l'eau liquide à la température
sera notée
.
L'air humide étant un mélange idéal de gaz parfaits, son enthalpie est la somme des enthalpies de chaque constituant du mélange ;
D'autre part, l'étude de la première partie a permis d'établir que
était reliée à
(pression de vapeur saturante) et
par l'équation :
A3. Montrer l'égalité suivante:
A4*a. En déduire que l'humidité absolue initiale est donnée par :
A4*a. En déduire que l'humidité absolue
A4*b. En réalité, la variation de température n'excède pas quelques degrés. Compte tenu des ordres de grandeur des différents termes et à l'aide des données numériques ci-dessous, simplifier l'équation précédente et montrer qu'elle peut s'écrire sous la forme :
Donner l'expression de la constante
en fonction de
et
. Calculer A pour
et
.
Données numériques :
Cette méthode est utilisée pour mesurer l'humidité relative
. En remplaçant w par l'expression donnée dans la première partie, en A2* et compte tenu de l'approximation
, l'équation précédente peut être mise sous la forme approchée :
Le psychromètre est constitué de deux thermomètres soumis au même courant d'air. Le premier est au contact direct de l'air et mesure
. Le second est entouré de coton imbibé d'eau et mesure
.
A5. Une mesure particulière a donné pour l'air d'un local :
et
. Calculer I'humidité relative
de cet air en prenant
et en utilisant la courbe représentée sur la figure 1.
En pratique, l'humidité relative
se lit directement dans une table (table psychrométrique) à partir des deux valeurs de
et
.
B / HYGROMÈTRE CAPACITIF
Certains oxydes métalliques comme
(alumine) sont hygroscopiques, c'est-à-dire qu'ils peuvent absorber l'eau contenue dans un gaz humide. En conséquence, leurs propriétés électriques, notamment leur permittivité diélectrique
sont modifiées. L'utilisation de ces substances comme isolant électrique d'un condensateur permet de réaliser des capacités
qui dépendent de l'humidité relative
selon la loi approchée :
où
et a sont deux constantes.
Ce type de condensateur est réalisé à partir d'une lame d'aluminium constituant l'une des armatures, sur laquelle est déposée une couche d'alumine poreuse. La seconde armature du condensateur est une lame d'or. La mesure de la capacité de ce type de condensateur constitue actuellement une technique fiable et précise pour déterminer l'humidité relative.
Ce type de condensateur est réalisé à partir d'une lame d'aluminium constituant l'une des armatures, sur laquelle est déposée une couche d'alumine poreuse. La seconde armature du condensateur est une lame d'or. La mesure de la capacité de ce type de condensateur constitue actuellement une technique fiable et précise pour déterminer l'humidité relative.
Etudions dans cette partie un montage électrocinétique permettant la mesure de
. Le montage complet est représenté sur la figure 5 et ses différents éléments seront abordés successivement au cours du problème.

Figure 5 : Schéma électrique complet de l'hygromètre
Les diodes utilisées (fiqure 6) sont supposées idéales, ce qui signifie :
lorsque
(état bloqué)
lorsque
(état passant)

Figure 6
B1. Quelle est l'origine physique de la variation de la constante diélectrique de l'alumine
lorsqu'elle absorbe de l'eau?
B2. La capacité étudiée varie de 110 pF à 250 pF lorsque l'humidité relative
passe de la valeur 0 à la valeur 1 . Calculer les valeurs numériques de
et a.
Considérons le dipôle (AB) représenté sur la figure 7, pour lequel (
) et (
) sont deux diodes idéales identiques.
B3. Montrer que les deux diodes ne peuvent pas être simultanément dans le même état. Déterminer, selon le signe de la tension u, le résistor ohmique équivalent à (AB).

Figure 7

Figure 8
Ce dipôle est maintenant inséré dans le montage de la figure 8 dans lequel
est une tension nulle pour
et
et égale à une constante
lorsque
. A l'instant
, le condensateur est déchargé.
B4*a. Établir l'équation différentielle vérifiée par
puis exprimer sa solution pour
, en faisant apparaître une constante de temps, notée
.
À partir de l'instant
redevient nulle.
B4*b. Quelle est alors l'équation différentielle vérifiée par ? Expliciter dans ce cas
pour
, en fonction des paramètres
et
.
B4*b. Quelle est alors l'équation différentielle vérifiée par
B4*c. Représenter l'allure de
en fonction du temps dans le cas particulier où
. Faire figurer sur ce schéma les asymptotes et les points remarquables.
Dans le montage de la figure 9a, l'amplificateur opérationnel (AO1) est supposé idéal et fonctionne en régime de saturation. Les tensions de saturation haute et basse sont notées respectivement
et
.
est maintenant une tension créneau périodique de période
, maintenue à une valeur constante
pendant une durée
et nulle pendant le reste de la période, schématisée sur la figure
.

Figure 9a

Figure 9b
Le régime permanent est supposé établi : toutes les tensions sont périodiques avec la même période
. Celle-ci est choisie de sorte que
, ce qui entraîne que le condensateur est déchargé à la fin de chaque période. Le fonctionnement du montage sera donc étudié entre les instants 0 et
.
B5*a. Expliciter la condition reliant
et la durée
, pour que la tension
en sortie de l'AO1 puisse basculer de
à
durant la phase où
. (cette condition sera supposée vérifiée par la suite)
Déterminer, en fonction de , l'instant
qui correspond au basculement de
de la valeur
à la valeur
.
Déterminer, en fonction de
B5*b. Évaluer la valeur minimale de
assurant le fonctionnement correct du montage, sachant que
. Calculer les deux valeurs extrêmes de
qui correspondent respectivement à
et
.
B5*c. En choisissant les valeurs numériques suivantes :
,
et
, représenter en concordance de temps les tensions
et
sur un intervalle de temps de deux périodes.
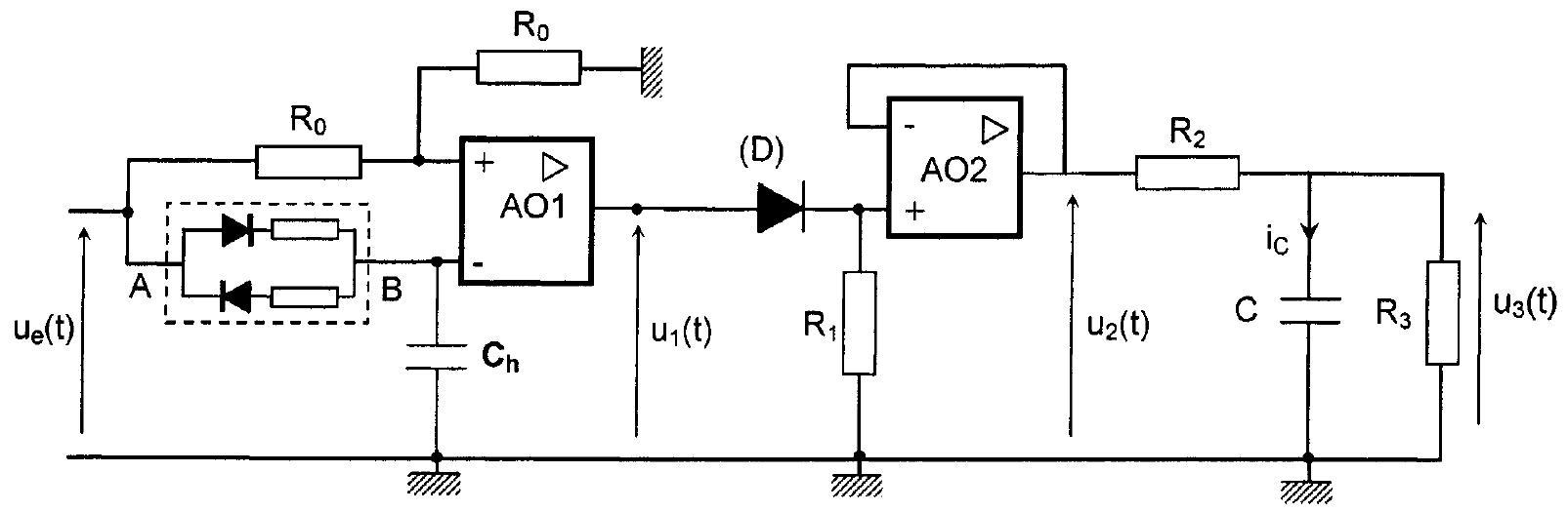
Le montage représenté sur la figure 10 est destiné à mettre en forme la tension
délivrée par le circuit précédent. II comprend un amplificateur opérationnel idéal (AO2) en régime linéaire et une diode (D) idéale.

Figure 10

Figure 11
B6. Déterminer, selon le signe de
, l'expression de la tension
en sortie de l'AO2. Représenter le chronogramme de
sur un intervalle de temps de deux périodes.
Cette tension u2 est appliquée à l'entrée du filtre passif représenté sur la figure 11 et constitué de deux résistances
et
, ainsi que d'un condensateur de capacité
.
Le régime permanent étant établi, la tension
est périodique de période
: elle évolue entre une valeur minimale
atteinte aux temps
(
entier) et une valeur maximale
atteinte aux temps
, où
est la durée déterminée à la question
.
Etant donnée une fonction
périodique de période
, sa valeur moyenne est définie par:
B7a. Calculer la valeur moyenne de
en fonction de
et
.
B7b. Montrer que la valeur moyenne de l'intensité qui traverse le condensateur est nulle. En déduire la valeur moyenne
en fonction de
et
.
B7b. Montrer que la valeur moyenne
Afin d'alléger les expressions littérales intervenant dans les questions suivantes, posons la quantité
.
B8*a. Écrire l'équation différentielle du premier ordre à laquelle obéit
lorsque
. Expliciter sa solution en fonction de
et
. (ne pas chercher à déterminer
dans cette question)
B8*b. Quelle est l'équation différentielle satisfaite par
lorsque
? Déterminer sa solution en fonction de
et
. (sans chercher à déterminer
dans cette question)
B8*c. Montrer que
et
prennent les valeurs suivantes :
Le taux d'ondulation
est défini par le quotient :
.
B8*d. Déterminer l'expression du taux en fonction de
et
.
Application numérique: calculer dans le cas le plus défavorable, avec pour valeurs numériques
et
. Conclure.
B8*d. Déterminer l'expression du taux
Application numérique: calculer
B8*e. Sur quels facteurs est-il possible de jouer pour diminuer le taux d'ondulation
?
Au contact de l'air ambiant d'un local, le dispositif délivre une tension .
B9. Déterminer l'humidité relative dans le local, en utilisant les données numériques suivantes :
, USAT
et
.
Au contact de l'air ambiant d'un local, le dispositif délivre une tension
B9. Déterminer l'humidité relative
