Version interactive avec LaTeX compilé
Calculatrice autorisée
2020
L'énergie électrique d'origine nucléaire
Abstract
Le but de ce problème est de regarder, en tant que scientifique non expert du sujet, quelques aspects d'une centrale nucléaire de type EPR (signifiant Evolutionary Pressurised water Reactor), qui est un type de réacteur à eau pressurisée (REP).
Abstract
Les 19 centrales nucléaires actuellement en fonctionnement en France ont été globalement construites sur le même mode. Tous leurs réacteurs utilisent la même technologie, dans laquelle de l'eau sous pression sert à transporter la chaleur produite par les réactions nucléaires. [...] Les centrales nucléaires regroupent un total de 58 réacteurs dont 34 produisent chacun une puissance électrique de 900 MégaWatt (MWe) — 900 MWe permet d'alimenter près de 500000 foyers. À cela s'ajoutent 20 réacteurs de 1300 MWe , tandis que les quatre derniers délivrent 1450 MWe . Un 59 ème réacteur est actuellement en construction à Flamanville, dans la Manche. De type EPR (Evolutionary Pressurised water Reactor), il développera une puissance électrique de l'ordre de 1600 MWe . Actuellement, ces installations produisent près de
Les applications numériques seront faites avec un nombre de chiffres significatifs adapté. Les données numériques sont fournies dans le document réponse à rendre avec la copie.
Certaines questions peu ou pas guidées, demandent de l'initiative de la part du candidat. Leur énoncé est repéré par une barre en marge. Il est alors demandé d'expliciter clairement la démarche, les choix et de les illustrer, le cas échéant, par un schéma. Le barème valorise la prise d'initiative et tient compte du temps nécessaire à la résolution de ces questions.
I L'uranium, source d'énergie
I.A - L'uranium naturel
L'uranium est l'élément chimique de numéro atomique 92 , de symbole U. Il fait partie de la famille des actinides.
L'uranium est leélément le plus abondant dans la croûte terrestre, son abondance est supérieure à celle de l'argent, comparable à celle du molybdène ou de l'arsenic, mais quatre fois inférieure à celle du thorium. Il se trouve partout à l'état de traces, y compris dans l'eau de mer.
C'est un métal lourd radioactif (émetteur alpha) de période très longue (milliards d'années pour l'uranium 238 et millions pour l'uranium 235 ). Sa radioactivité, additionnée à celle de ses descendants dans sa chaine de désintégration, développe une puissance de 0,082 watt par tonne d'uranium, ce qui en fait, avec le thorium 232 (quatre fois plus abondant, mais trois fois moins radioactif) et le potassium 40, la principale source de chaleur qui tend à maintenir les hautes températures du manteau terrestre, en ralentissant de beaucoup son refroidissement.
L'isotopeest le seul isotope fissile naturel. Sa fission libère une énergie voisine de par atome fissionné dont d'énergie non récupérable, communiquée aux neutrinos produits lors de la fission. L'énergie récupérable est plus d'un million de fois supérieure à celle des combustibles fossiles pour une masse équivalente. De ce fait, l'uranium est devenu la principale matière première utilisée par l'industrie nucléaire.
Le minerai d'uranium qui a été exploité sur Terre possède une teneur en uranium pouvant varier deà . L'uranium est dit naturel quand il est constitué d'isotopes dans leur proportion d'origine (identique pour tous les minerais d'uranium) : soit d'uranium 238 accompagné de d'uranium 235 et d'une quantité infime d'isotope 234 ( ).
I.A.1) Évolution de la population d'uranium au cours du temps
Q 1. Quelle est la dimension de la constante radioactive
Q 2. On considère une population de noyaux radioactifs identiques, dont le nombre à l'instant
Q 3. La période radioactive, notée
Q 4. Calculer numériquement les valeurs des constantes radioactives
Q 5. La proportion d'uranium 235 dans les minerais augmente-t-elle ou diminue-t-elle au cours du temps ?
Q 6. Pour faire fonctionner un réacteur nucléaire, il faut disposer d'un minerai contenant beaucoup d'uranium et que cet uranium présente au moins
I.A.2) Radioactivité naturelle au
siècle
Q 7. Estimer la puissance dégagée par la radioactivité de l'uranium sur une telle parcelle. Comparer avec la valeur donnée par l'extrait ci-dessus ( 0,082 watt par tonne d'uranium).
I.B - Le combustible nucléaire
I.B.1) Cristal de dioxyde d'uranium
- les ions d'uranium forment un réseau cubique face centrée ;
- les ions d'oxygène forment un réseau cubique.
Q 8. Indiquer sur cette figure la position des ions
Q 9. Vérifier que le nombre d'ions est cohérent avec la formule
Q 10. Quelle est la longueur du côté de la maille ? Commenter ce résultat. Comparer cette longueur avec les rayons ioniques des ions uranium et oxygène qui valent respectivement 97 pm et 140 pm .
I.B.2) Combustible utilisé dans les centrales

La radioactivité naturelle (radioactivité
Q 12. Un foyer composé de 4 personnes habitant dans une maison de
II Le cœur du réacteur

II.A - Quelques analyses préliminaires


Q 15. Vérifier que la surface totale d'échange entre l'eau du circuit primaire et les crayons indiquée dans les données (environ
II.B - Approche théorique
II.B.1) Modélisation
On utilise le système de coordonnées cylindriques d'axe
Q 16. Justifier que la température est une fonction de
Q 17. La figure 5 présente quatre profils de température à l'intérieur du crayon, ainsi que les expressions analytiques de
Q 18. En admettant que le profil identifié représente réellement le champ de température à l'intérieur du crayon, relier la constante
Q 19. À l'aide des caractéristiques du cœur données dans le document réponse, proposer une estimation de la puissance volumique libérée dans le combustible lorsque le réacteur est en fonctionnement nominal.

Q 21. En supposant que la température en
II.B.2) Amélioration du modèle
Q 23. À l'aide d'une démarche à préciser (une page maximum), proposer un modèle conduisant à une meilleure estimation de la température au cœur du crayon en tenant compte du constat précédent. Ne pas hésiter, pour cela, à introduire les grandeurs physiques pertinentes en proposant, le cas échéant, des ordres de grandeur raisonnables.
Q 24. En réalité, la conductivité thermique du dioxyde d'uranium n'est pas indépendante de la température mais possède le profil donné figure 6. Expliquer, de manière qualitative mais argumentée, de quelle manière est modifié le profil de température et, en particulier, si on peut s'attendre à une température plus élevée ou plus basse que celle calculée précédemment.

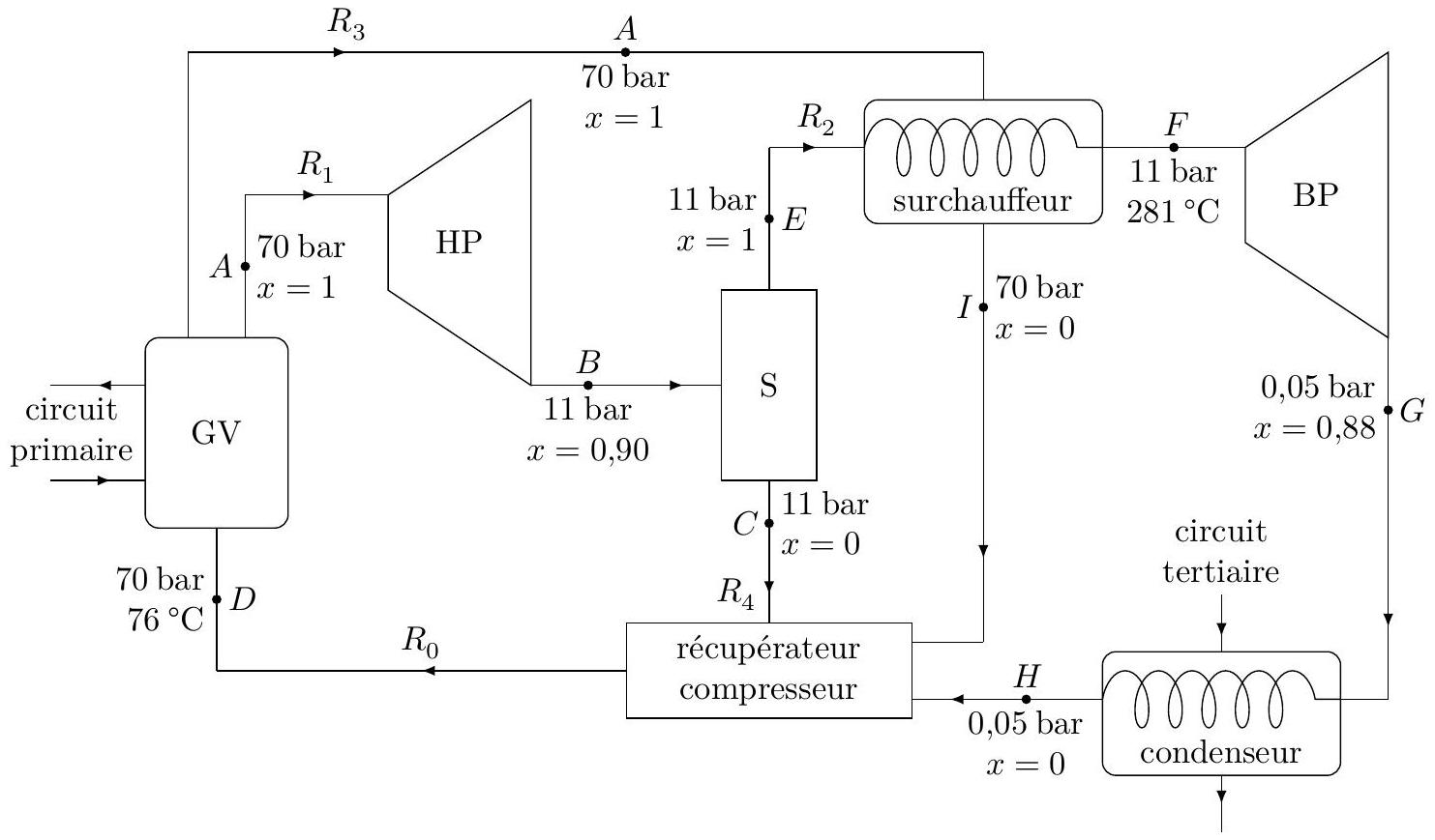
III Du réacteur aux turbines

III.A - Approche générale
-
le débit massique de fluide à travers l'élément ; -
la puissance fournie au fluide par les forces autres que pressantes; -
, la puissance thermique fournie au fluide; -
, l'enthalpie massique du fluide juste avant l'entrée ; -
, l'enthalpie massique du fluide juste après la sortie.
Dans le cas d'un élément comportant plusieurs entrées et sorties, le bilan précédent se généralise en
III.B - Analyse du cycle
III.B.1) Enthalpies massiques
Q 28. Calculer les valeurs des enthalpies massiques
Q 29. Estimer la valeur de l'enthalpie massique
III.B.2) Calcul des différents débits
Q 31. Le surchauffeur est un simple échangeur de chaleur entre deux fluides ; il n'y a donc aucune puissance mécanique mise en jeu. En supposant que le surchauffeur soit parfaitement calorifugé, trouver une relation entre les débits
Q 32. Calculer numériquement les différents débits.
III.B.3) Au niveau des turbines
Q 33. Les transformations dans les turbines HP et BP sont-elles réversibles ? Justifier soigneusement votre réponse. Dans le cas où les transformations sont irréversibles, quelles sont les causes de cette irréversibilité ?
III.B.4) Au niveau du condenseur
Q 34. Déterminer l'expression du débit que doit avoir le circuit tertiaire pour que son élévation de température ne dépasse pas
III.C - Rendement du cycle
III.C.1) Rendement effectif
III.C.2) Intérêt du surchauffeur







Formulaire
Opérateurs vectoriels en coordonnées cylindriques

Valeurs numériques
L'uranium source d'énergie
| Uranium 235 | |
| masse atomique
|
|
| abondance naturelle
|
0,72 % |
| période radioactive
|
|
| Uranium 238 | |
| masse atomique
|
|
| abondance naturelle
|
99,28 % |
| période radioactive
|
|
| Désintégration
|
|
| énergie libérée
|
|
| énergie libérée
|
|
| Fission | |
| énergie libérée
|
|
| Oxygène | |
| masse molaire |
|
| Constante d'Avogadro | |
|
|
|
| Dioxyde d'Uranium enrichi | |
| proportion
|
5,0% |
| proportion
|
95,0% |
| masse volumique du cristal |
|
| Pastille nucléaire | |
| forme géométrique | cylindre |
| hauteur |
|
| diamètre |
|
| Unité énergétique | |
| 1 eV |
|
| 1 tonne équivalent charbon |
|
| 1 tonne équivalent pétrole |
|
Sur les caractéristiques du cœur
| Structure | |
| réseau assemblage | carré
|
| nombre de crayons de combustible | 265 |
| diamètre d'un crayon |
|
| épaisseur de la gaine d'un crayon |
|
| nombre d'assemblages | 241 par cœur |
| masse d'
|
600 kg |
| Combustible (dioxyde d'uranium) | |
| conductivité thermique moyenne |
|
| température de fusion |
|
| Circuit primaire | |
| débit par boucle |
|
| nombre de boucles | 4 |
| pression | 155 bar |
| température à l'entrée |
|
| température au voisinage des crayons |
|
| température à la sortie |
|
| surface d'échange |
|
| densité de courant thermique en périphérie d'un crayon (fonctionnement nominal) |
|
| puissance linéique (fonctionnement nominal) |
|
| puissance linéique maximale à ne pas dépasser |
|
Sur les caractéristiques du circuit secondaire
| générateur de vapeur
|
|
| débit de vapeur |
|
| état physique à l'entrée | liquide |
| température entrée |
|
| état physique à la sortie | vapeur saturante |
| pression | 70 bar |
| turbine haute pression
|
|
| état physique à l'entrée | vapeur saturante |
| pression entrée | 70 bar |
| état physique à la sortie | vapeur humide |
| titre en vapeur à la sortie | 0,90 |
| pression sortie | 11 bar |
| turbine basse pression
|
|
| état physique à l'entrée | vapeur sèche |
| température entrée |
|
| pression entrée | 11 bar |
| état physique à la sortie | vapeur humide |
| titre en vapeur à la sortie | 0,88 |
| pression sortie | 0,05 bar |
| surchauffeur
|
|
| état physique à l'entrée (
|
vapeur saturante sèche |
| pression entrée (
|
70 bar |
| état physique sortie (
|
liquide saturant |
| pression sortie (I) | 70 bar |
| état physique à l'entrée (
|
vapeur saturante sèche |
| pression entrée (
|
11 bar |
| état physique sortie (
|
vapeur sèche |
| pression sortie (
|
11 bar |
| température sortie (
|
|
| condenseur
|
|
| état physique à l'entrée | vapeur humide |
| titre en vapeur à l'entrée | 0,88 |
| état physique à la sortie | liquide saturant |
| pression | 0,05 bar |
Sur l'eau
| Pression de 70 bar | |
| température d'équilibre liquide - vapeur |
|
| enthalpie massique du liquide |
|
| enthalpie massique de la vapeur |
|
| entropie massique du liquide |
|
| entropie massique de la vapeur |
|
| Pression de 11 bar | |
| température d'équilibre liquide - vapeur |
|
| enthalpie massique du liquide |
|
| enthalpie massique de la vapeur |
|
| entropie massique du liquide |
|
| entropie massique de la vapeur |
|
| Pression de 0,05 bar | |
| température d'équilibre liquide - vapeur |
|
| enthalpie massique du liquide |
|
| enthalpie massique de la vapeur |
|
| entropie massique du liquide |
|
| entropie massique de la vapeur |
|
